| 品牌FUNKE | 有效期至长期有效 | 最后更新2024-04-03 17:09 |
| 浏览次数7 |
FUNKE 风冷式换热器,用于机械工程和移动液压系统的油气冷却器
FUNKE 风冷式换热器,用于机械工程和移动液压系统的油气冷却器
品牌介绍:
FUNKE 成立于 1974 年,迅速成为工业管壳式换热器领域的专家。在随后的几年中,该产品范围不断扩大,包括螺栓和钎焊版本的板式换热器、风冷式换热器和电油预热器。这使得FUNKE成为世界上为数不多的拥有如此全面产品系列的制造商之一。在全球拥有 400 多名员工的子公司以及遍布全球的销售和服务网络,预示着 FUNKE 在国际市场上的蓬勃发展。
风冷式换热器
用于机械工程和移动液压系统的油气冷却器
热交换器,用于冷却机械、工厂和特种车辆结构中使用环境空气的油、阻燃液体或乳液。
风冷式换热器
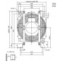
在风冷式换热器中,使用环境空气代替液体作为冷却介质。油气冷却器的基本部件是杆板结构中的铝制散热器块。根据体积流量的不同,待冷却的介质以一种或多种方式通过散热器块,并由风扇叶轮输送的环境空气冷却。风冷式换热器特别用作峰值负载范围内的附加冷却器,以及水不可用或管道太贵的地方。
FUNKE 油空冷却器 OKAN 系列
对于机械和设备工程以及工程机械和特种车辆制造,FUNKE提供OKAN系列油气冷却器。它们有 20 种尺寸可供选择,冷却能力高达 6.2 kW/K,并提供单向或三向版本,可根据需要逐步提供。有了如此广泛的油气冷却器,大多数应用都可以灵活地使用。
定期为工厂建设和系列制造商开发与项目相关的特殊设计。例如,可以针对船舶和海上应用或安装在潜在爆炸性环境中进行特殊设计。
OKAN油空气冷却器技术数据
最大制冷量:约 6.2 kW/K
最高工作温度:油品 100°C,乳液 90°C
静态最大工作压力:高达 26 bar
环境温度:-20°C 至 +40°C
冷却网面积:0.05 至 1.44m²
风扇驱动:三相电机、直流电机、液压马达
1 路和 3 路版本
设备型号
完整的系统,包括温度控制和泵
防爆设计
耐海风表面保护
冷却盘管用空气过滤器
FUNKE 风冷式换热器,用于机械工程和移动液压系统的油气冷却器
| 张振涛 QQ:2853369883 手机:18518172483 电话:010-64714988-171 传真:010-84786709-667 邮件:sales18@handelsen.cn |
![]() |
![]() |
客服热线:





