| 品牌bolondi | 有效期至长期有效 | 最后更新2023-12-18 11:01 |
| 浏览次数0 |
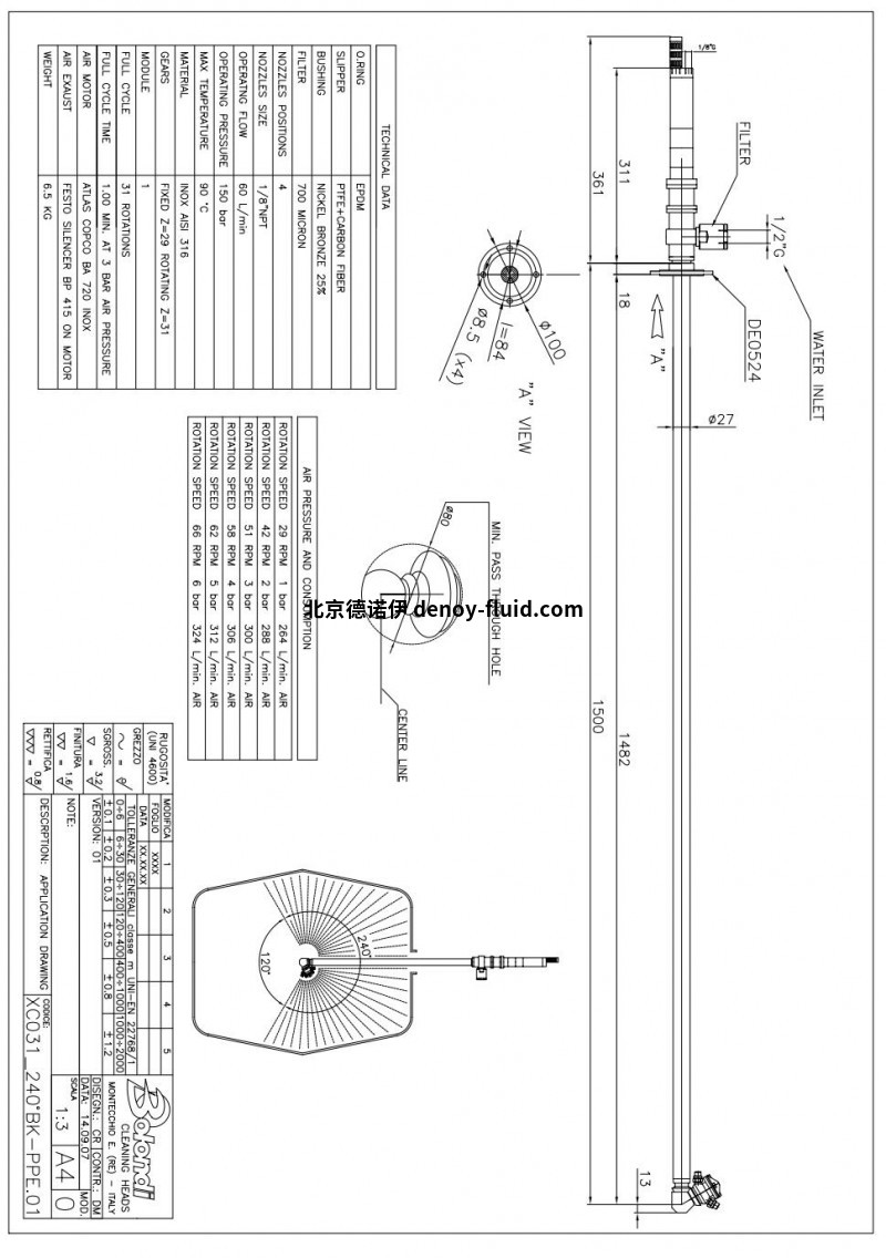
意大利喷头布隆迪Bolondi XC561P喷嘴特殊版本系列
型号:
1.XC031_240°BK-PPE
2.xc150_180°fr-eer
3.XC561P
4.XM030P 云台 + 气压缸
5.XT076A
介绍:
1.无需任何润滑剂的清洗头 材料:Aisi 316 旋转:气动马达 流量:最大 60 升/分钟 压力:最大 200 巴 旋转速度:慢速 最小通过孔:80 毫米 过滤器:是 进水口:侧面 喷嘴:2-4 应用:在容器背面 240° 处清洗扇形区域
2.无任何润滑剂的扇形清洗头 材料:Aisi 316 电机:电动 400v 流量:最大 200 升/分钟 压力:最大 150 巴 旋转速度:慢速 过滤器:无 进水口:侧面 喷嘴:2-4 应用:180° 扇形清洗
3.体积式清洗头,无需任何润滑剂 材料:Aisi 316 马达:气动 流量:最大 60 升/分钟 压力:最大 500 巴 转速:慢速 最小通过孔:63 毫米 过滤器:无 进水口:侧面 喷嘴:2-4 应用: IBC - 料桶 - 料仓 - 混合器
4.这是一种气动清洗头,适用于低压(最大 10bar)和低流量(最大 30lt/min),由 316L 不锈钢制成,装配在气动缸上;这样,清洗头仅在清洗阶段进入水箱。
5.带水马达的可伸缩式清洁头,适合大流量和低压应用(10 bar - 100lt/min)
公司介绍
Bolondi Cleaning Heads s.n.c. di Manfredi Dante e Fabrizio 一直以来都在发展,这要归功于其生产优化过程。
在清洗头生产领域的大量创新
洗头生产领域的技术创新。
低压和高压产品系列齐全,能够满足以下需求
从小型容器到大型环境,都是消毒和清洁的理想选择。特别关注
还特别注重与机器和工业设备的集成,尤其是在食品、制药、化工、酿酒、运输、卫生和环境等领域。
特别是在食品、制药、化工、酿酒、运输、卫生和建筑领域,使用兼容材料,满足各种用途。
每项设计在投放市场之前,都要经过长期检查和测试,以确保所有部件都经过验证。
博隆迪公司的所有部件都经过长期检查和测试,以确保旋转头的可靠性和使用寿命。
Bolondi Cleaning Heads s.n.c. di Manfredi Dante e Fabrizio 的产品符合 ISO 9001
2015-PED指令和ATEX指令。

| 王钶深 QQ:2455880176 手机:18510519230 电话:010-64714988-191 传真:010-84786709-667 邮件:2455880176@qq.com |
![]() | ![]() |
客服热线:





