| 品牌Warex Valve | 有效期至长期有效 | 最后更新2023-10-31 11:33 |
| 浏览次数1 |
Warex Valve金属密封蝶阀DKD/DKH DKD-AK对夹式设计
一般信息
金属密封蝶阀 DKD
除了软密封蝶阀(衬橡胶)外,我们还生产金属密封蝶阀。根据设计和公称尺寸的不同,金属密封蝶阀的泄漏率最高可达 2%(平面当量)。这些风门适用于高温环境。可提供温度高达 1100 摄氏度的特殊设计。挡板还经常用作容器的筒仓封闭装置,尤其是在需要避免密封件的橡胶磨损污染产品的情况下。
我们的团队目前有 40 多名员工,其中一些人已在公司工作了 45 年以上,我们在森登生产基地生产管件的历史已超过 55 年。
我们致力于培训和职业发展。超过 1/3 的员工接受过我们的培训,并成为 Warex 团队的一员。无论是机械工程领域的工业技工培训,还是机械工程领域的技术产品设计师培训,抑或是工业文员培训,所有这些都是对我们的挑战和支持。我们是一支积极进取的高素质团队。我们高素质、灵活的员工让成功和客户满意成为可能。
客户咨询服务 筛选和检查查询
贡献数十年经验(团队讨论)
进行计算和针对具体应用的设计
根据操作要求制造阀门
根据要求,在阀门安装和调试阶段提供客户支持
特点
根据设计不同,可用于高达 1100 °C 的温度通过式或止动式风门的泄漏率为 05% 至 2%双偏心风门的泄漏率为 B,符合 DIN 12266 标准。DIN 12266 泄露率 BA 通常情况下,使用寿命比软阀座风门长公称尺寸大,成本效益明显高于软阀座风门中心设计,扭矩低(取决于产品)防爆设计也可用于 0/20 区,具有型号认证 BVS03AtexH026X孔和阀头设计用于安装各种执行器选项,接口符合 DIN/ISO 5211 标准
蝶阀,金属密封中间法兰出口 - 用于高温范围内的关闭和控制。
公称尺寸范围:DN 50 - DN 1000工作温度:-40 C 至 + 500 C,300 C 以上(带第二个外部轴承)材料:钢、不锈钢_壁厚:约 0.5 % - 2 % - 表面当量
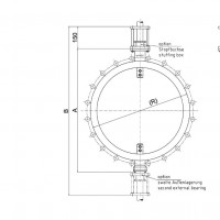
蝶阀,金属密封,对夹式设计 - 用于高温范围内的关闭和控制。
公称通径范围:DN 50 - DN 1000工作温度:-40 C 至 + 500 C,300 C 以上(带第二个外部轴承)材料:钢、不锈钢泄漏量:约 0.5% - 2% - 表面当量
| 王钶深 QQ:2455880176 手机:18510519230 电话:010-64714988-191 传真:010-84786709-667 邮件:sales5@handelsen.cn |
![]() | ![]() |
客服热线:





